- Stopień ochrony
- IP67, IP69K
- Funkcja elementu przełączającego
- Styk NO/NZ
- Certyfikaty
- CE, EHEDG
- Wykonanie
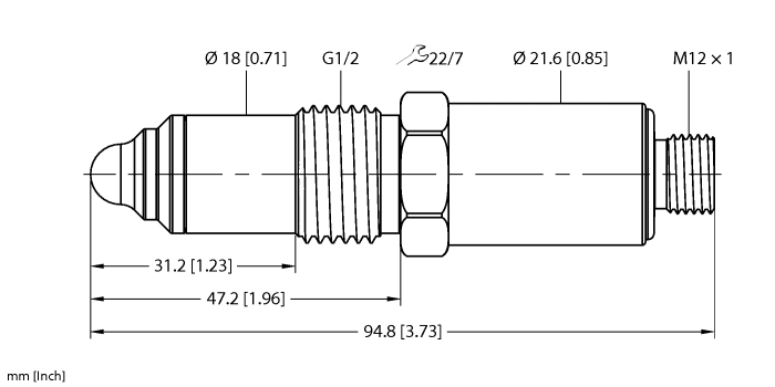
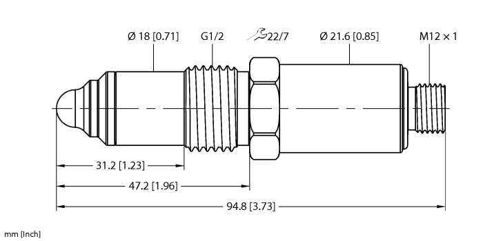
- Cylindryczne gwintowane
- Podłączenie procesowe
- Gwint męski G 1/2”, higieniczny
- Medium
- liquids, Towary masowe
- Sposób detekcji
- kontakt z medium
- Protokół komunikacyjny
- IO-Link
- Połączenie elektryczne
- Złącze
- Typ złącza
- M12 × 1
- Materiał obudowy
- Stal nierdzewna
- Wykonanie obudowy
- 1.4404 (AISI 316L)
- Temperatura medium min. (°C)
- 0
- Temperatura medium maks. (°C)
- 100
- Temperatura otoczenia min. (°C)
- -10
- Temperatura otoczenia maks. (°C)
- 70
- Measuring principle
- Pojemnościowe
- Warunki montażowe
- Czujnik zanurzeniowy
- Napięcie zasilania
- DC
- Wyjście elektryczne
- IO-Link, 2 × wyjście dwustanowe, 1 × wyjście dwustanowe, Wyjście dwustanowe
- Wymiary konstrukcji
- G 1/2″
- Funkcja wyjścia
- Styk NO/NZ, NPN