chevron_left
Menu
Turck
search
Ładowanie
add_shopping_cart
Strona główna
Produkty
person
Zaloguj się
FOUNDATION fieldbus Flanschanschluss
RSFV 49-0.3M/14.5/C1117
Nr katalogowy U7834
W magazynie
Grupa cenowa
K3
Cennik
265,42 zł
Pozycja ogółem
265,42 zł
Ilość
−
+
add_shopping_cart
Dodaj do koszyka
Utwórz zapytanie
home
Turck-Shop
Technika łączeniowa
Gniazda aparatowe
RSFV 49-0.3M/14.5/C1117
Dane techniczne
Protokół sieciowy
FOUNDATION fieldbus
Aplikacja
Dane
Wykonanie
Przewód podłączeniowy
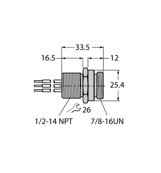
Złącze A
Męskie, 7/8”–16 UN, Prosty
Liczba styków
4
Materiał obudowy kołnierza A
stal nierdzewna
Gwint montażowy
1/2”–14 NPT
Napięcie nominalne (V)
600
Prąd (A)
9
Certyfikaty
CE, RoHS
Min. temperatura otoczenia (°C)
-40
Maks. temperatura otoczenia (°C)
105
Przekrój przewodu (mm²)
0.8
Technika połączeniowa
7/8”
Tryb połączenia
Podłączenie przewodu
Kluczowe cechy
Złącze A
Męskie, 7/8”–16 UN, Prosty
Liczba styków
4
Materiał obudowy kołnierza A
stal nierdzewna
Gwint montażowy
1/2”–14 NPT