chevron_left
Menu
Turck
search
Ładowanie
add_shopping_cart
Strona główna
Produkty
person
Zaloguj się
arrow_back_ios
arrow_forward_ios
Złącze rozbieralne
FW-EWSPM0416-SA-S-0408
Nr katalogowy 100002290
W magazynie
Grupa cenowa
K2
Cennik
71,83 zł
Pozycja ogółem
71,83 zł
Ilość
−
+
add_shopping_cart
Dodaj do koszyka
Utwórz zapytanie
home
Home
Loading...
Dane techniczne
Aplikacja
Sygnał
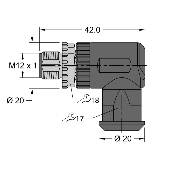
Złącze A
Złącza, M12 × 1, Kątowe, Kodowanie A
Liczba styków
4
Materiał nakrętki/śruby łączącej A
mosiądz
Napięcie nominalne (V)
250
Prąd (A)
4
Certyfikaty
cULus
Tryb połączenia
połączenie zaciskowe/nacinające
Kluczowe cechy
Tryb połączenia
połączenie zaciskowe/nacinające
Złącze A
Złącza, M12 × 1, Kątowe, Kodowanie A
Liczba styków
4
Aplikacja
Sygnał
home
Turck-Shop
Technika łączeniowa
Złącza rozbieralne
FW-EWSPM0416-SA-S-0408