chevron_left
Menu
Turck
search
Ładowanie
add_shopping_cart
Strona główna
Produkty
person
Zaloguj się
arrow_back_ios
arrow_forward_ios
Złącze rozbieralne
BMWS8251-8.5
Nr katalogowy 6904723
W magazynie
Grupa cenowa
K2
Cennik
118,70 zł
Pozycja ogółem
118,70 zł
Ilość
−
+
add_shopping_cart
Dodaj do koszyka
Utwórz zapytanie
home
Home
Loading...
Dane techniczne
Protokół sieciowy
PROFIBUS-DP
Aplikacja
Dane
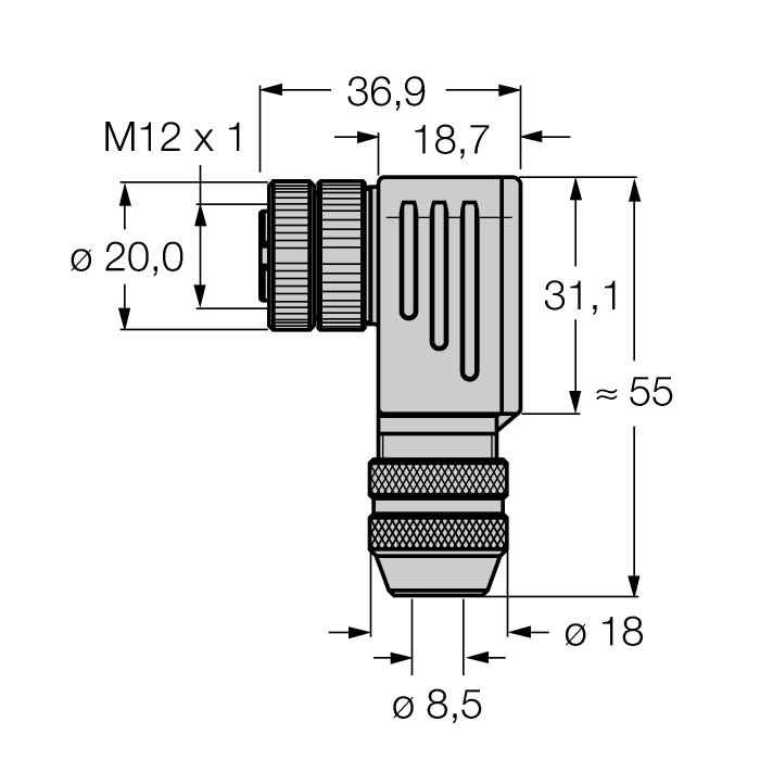
Złącze A
Złącze żeńskie, M12 × 1, Kątowe, Kodowanie B
Liczba styków
5
Materiał nakrętki/śruby łączącej A
Odlew ciśnieniowy cynku
Gwint montażowy
M18 × 1
Napięcie nominalne (V)
125
Prąd (A)
4
Certyfikaty
Certyfikat cULus
Tryb połączenia
połączenie zaciskowe/nacinające
Kluczowe cechy
Tryb połączenia
połączenie zaciskowe/nacinające
Złącze A
Złącze żeńskie, M12 × 1, Kątowe, Kodowanie B
Liczba styków
5
Aplikacja
Dane
home
Turck-Shop
Technika łączeniowa
Złącza rozbieralne
BMWS8251-8.5