chevron_left
Menu
Turck
search
Ładowanie
add_shopping_cart
Strona główna
Produkty
person
Zaloguj się
MA-M8-M24 | TURCK - Twój Globalny Partner w Automatyce Przemysłowej
arrow_back_ios
arrow_forward_ios
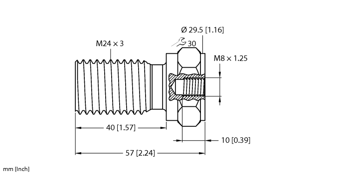
Adapter montażowy
MA-M8-M24
Nr katalogowy 100050784
home
Home
Loading...
W magazynie
Grupa cenowa
A1
Cennik
353,05 zł
home
Turck-Shop
Czujniki
Akcesoria
MA-M8-M24
Pozycja ogółem
353,05 zł
Ilość
−
+
add_shopping_cart
Dodaj do koszyka
Utwórz zapytanie