chevron_left
Menu
Turck
search
Ładowanie
add_shopping_cart
Strona główna
Produkty
person
Zaloguj się
Czujnik indukcyjny
SI2-K08-Y1
Nr katalogowy 1007700
W magazynie
Grupa cenowa
E1
Cennik
200,21 zł
Pozycja ogółem
200,21 zł
Ilość
−
+
add_shopping_cart
Dodaj do koszyka
Utwórz zapytanie
home
Turck-Shop
Czujniki
Czujniki indukcyjne
SI2-K08-Y1
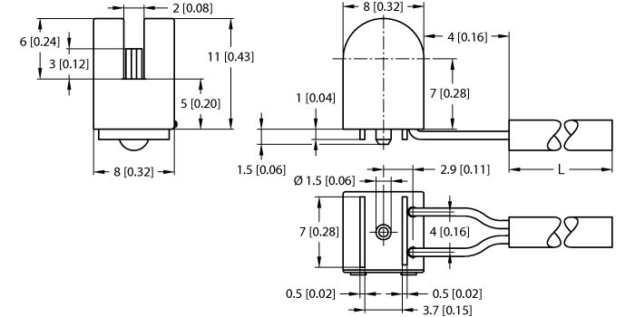
Dane techniczne
Stopień ochrony
IP67
Długość kabla (m)
0.21
Wykonanie
Czujnik szczelinowy
Połączenie elektryczne
Przewody plecione
Materiał obudowy
Tworzywo sztuczne
Wykonanie obudowy
PP
Min. temperatura otoczenia (°C)
-25
Maks. temperatura otoczenia (°C)
70
Napięcie zasilania
DC
Szerokość szczeliny (mm)
2
Wymiary konstrukcji
11 x 15 x 8 mm
Funkcja wyjścia
, NAMUR
Kluczowe cechy
Połączenie elektryczne
Przewody plecione