chevron_left
Menu
Turck
search
Ładowanie
add_shopping_cart
Strona główna
Produkty
person
Zaloguj się
REM-190S10C-IOL32B-H1141 | TURCK - Twój Globalny Partner w Automatyce Przemysłowej
arrow_back_ios
arrow_forward_ios
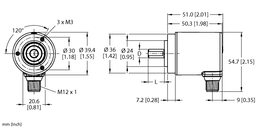
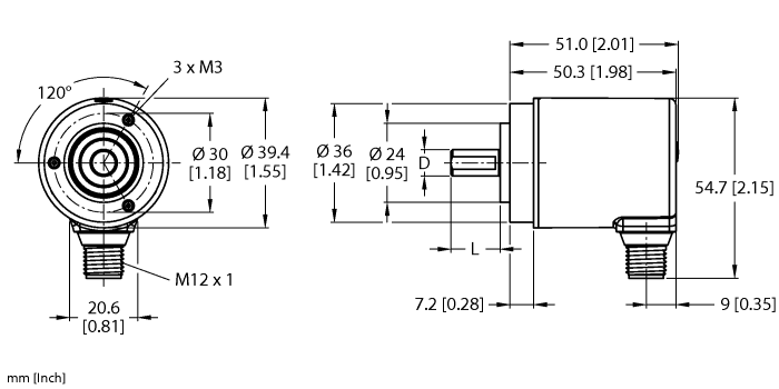
Enkoder absolutny obrotowy – wieloobrotowy
REM-190S10C-IOL32B-H1141
Nr katalogowy 100018237
home
Home
Loading...
Dane techniczne
Stopień ochrony
IP67
Protokół komunikacyjny
IO-Link
Połączenie elektryczne
Złącze
Typ złącza
M12 × 1
Materiał obudowy
Odlew ciśnieniowy cynku
Min. temperatura otoczenia (°C)
-40
Maks. temperatura otoczenia (°C)
85
Measuring principle
Magnetic
Typ wyjścia
Absolutny, wieloobrotowy
Shaft Type
Wał lity
Średnica ośki D (mm)
10
Flange diameter (mm)
36
Flange type
Clamping flange
Kluczowe cechy
Typ wyjścia
Absolutny, wieloobrotowy
Flange diameter (mm)
36
Średnica ośki D (mm)
10
Shaft Type
Wał lity
W magazynie
Grupa cenowa
F3
Cennik
2038,31 zł
home
Turck-Shop
Czujniki
Enkodery
REM-190S10C-IOL32B-H1141
Pozycja ogółem
2038,31 zł
Ilość
−
+
add_shopping_cart
Dodaj do koszyka
Utwórz zapytanie