chevron_left
Menu
Turck
search
Ładowanie
add_shopping_cart
Strona główna
Produkty
person
Zaloguj się
Enkoder inkrementalny
REI-E-111T6C-4A2000-C
Nr katalogowy 100039417
W magazynie
Grupa cenowa
G1
Cennik
764,68 zł
Pozycja ogółem
764,68 zł
Ilość
−
+
add_shopping_cart
Dodaj do koszyka
Utwórz zapytanie
home
Turck-Shop
Czujniki
Enkodery
REI-E-111T6C-4A2000-C
Dane techniczne
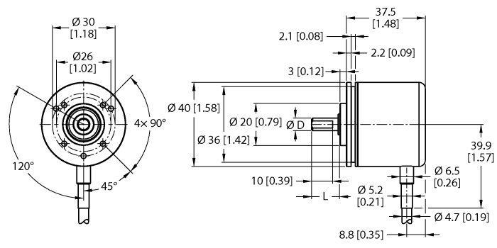
Stopień ochrony
IP64
Połączenie elektryczne
Kabel
Materiał obudowy
Aluminium
Min. temperatura otoczenia (°C)
-20
Maks. temperatura otoczenia (°C)
70
Measuring principle
Optical
Typ wyjścia
Przyrostowy
Shaft Type
Wał lity
Średnica ośki D (mm)
6
Flange diameter (mm)
40
Flange type
Kołnierz synchronizacyjny / zaciskowy
Rozdzielczość, inkrementalny (ppr)
2000
Funkcja wyjścia
, RS422/TTL
Kluczowe cechy
Typ wyjścia
Przyrostowy
Flange diameter (mm)
40
Średnica ośki D (mm)
6
Shaft Type
Wał lity