chevron_left
Menu
Turck
search
Ładowanie
add_shopping_cart
Strona główna
Produkty
person
Zaloguj się
arrow_back_ios
arrow_forward_ios
Enkoder absolutny obrotowy – wieloobrotowy
REM-116T10C-8BSALNS-H1151
Nr katalogowy 100051677
W magazynie
Grupa cenowa
F3
Cennik
502,00 zł
Pozycja ogółem
502,00 zł
Ilość
−
+
add_shopping_cart
Dodaj do koszyka
Utwórz zapytanie
home
Home
Loading...
Dane techniczne
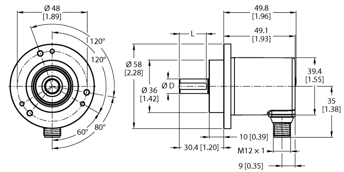
Stopień ochrony
IP65
Połączenie elektryczne
Złącze
Typ złącza
M12 × 1
Materiał obudowy
Odlew ciśnieniowy cynku
Min. temperatura otoczenia (°C)
-40
Maks. temperatura otoczenia (°C)
85
Measuring principle
Magnetic
Typ wyjścia
Absolutny, wieloobrotowy
Shaft Type
Wał lity
Średnica ośki D (mm)
10
Flange diameter (mm)
58
Flange type
Clamping flange
Funkcja wyjścia
, Wyjście analogowe
Kluczowe cechy
Typ wyjścia
Absolutny, wieloobrotowy
Flange diameter (mm)
58
Średnica ośki D (mm)
10
Shaft Type
Wał lity
home
Turck-Shop
Czujniki
Enkodery
REM-116T10C-8BSALNS-H1151