chevron_left
Menu
Turck
search
Ładowanie
add_shopping_cart
Strona główna
Produkty
person
Zaloguj się
JBBS-49SC-T435 | TURCK - Twój Globalny Partner w Automatyce Przemysłowej
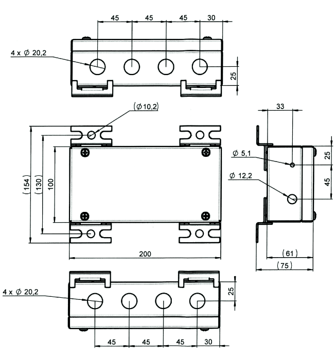
Koncentrator IP66, 6-kanałowy
JBBS-49SC-T435
Nr katalogowy 6884283
home
Home
Loading...
Dane techniczne
Stopień ochrony
IP66
Protokół sieciowy
FOUNDATION fieldbus, PROFIBUS-PA
Aplikacja
Dane
Połączenie elektryczne
Dławik kablowy
Materiał obudowy
Stal nierdzewna
Wykonanie obudowy
1.4301 (AISI 304)
Min. temperatura otoczenia (°C)
-25
Maks. temperatura otoczenia (°C)
60
Liczba kanałów
4
Technika połączeniowa
Cable gland
Kluczowe cechy
Protokół sieciowy
FOUNDATION fieldbus, PROFIBUS-PA
Stopień ochrony
IP66
W magazynie
Grupa cenowa
K3
Cennik
3224,82 zł
home
Turck-Shop
Systemy I/O
Komponenty magistrali PA
JBBS-49SC-T435
Pozycja ogółem
3224,82 zł
Ilość
−
+
add_shopping_cart
Dodaj do koszyka
Utwórz zapytanie